
一、晶粒生长基础
晶粒生长的热力学基础主要体现在界面能的降低和能量平衡的驱动上。在固态烧结过程中,晶界迁移是晶粒生长的核心动力,其方向始终遵循界面能降低的趋势。当晶界向高曲率区域迁移时,系统的总界面能得以减少,这一过程由热力学第二定律主导。对于液相参与的烧结体系,液相润湿性对晶粒生长行为具有显著影响。比如,SrTiO3基陶瓷中添加SiO2或Bi2O3后接触角显著降低,表明液相润湿性增强会改变晶界处的界面能分布,进而影响晶粒取向和生长路径。在氮化铝低温烧结中,液相迁移速率直接关联于晶界处的化学势差,其迁移方向始终趋向于消除晶界能梯度,导致表层晶粒异常生长。
从动力学角度分析,晶界迁移率是决定晶粒生长速率的关键参数。当BaTiO3中钛过量一定量时,大晶粒会形成{1 1 1}面的平坦晶界,此时异常晶粒生长通过台阶生长机制进行,即晶界以原子级平坦的表面进行迁移,显著提升迁移速率。而当钛含量接近化学计量比时,晶界结构变得粗糙且弯曲,此时晶界迁移主要依赖于表面扩散和体积扩散的协同作用,属于常规晶粒生长模式。添加剂对晶界迁移的抑制作用同样重要,例如Al2O3体系中MgO或NiO的溶质偏析会降低晶界能,导致迁移率下降。这种溶质偏析通过阻碍空位从孔隙向晶界的扩散通量,有效抑制了晶粒尺寸的异常增大。
液相的存在显著改变了晶粒生长的动力学机制。在SrTiO3体系中,当液相接触角较小(如9°)时,液相倾向于在三晶粒结处富集,形成“液桥”结构。这种结构既降低了晶界的迁移能垒,又促进了相邻晶粒的协同生长,导致晶粒尺寸分布趋于均匀。而在BNBT无铅压电陶瓷中,定向生长机制的实现依赖于液相的各向异性润湿性,通过控制液相在晶界处的分布方向,可引导晶粒沿特定晶向择优生长。此外,烧结工艺参数如温度梯度和压力对晶界迁移动力学有显著影响。
二、正常晶粒生长
正常晶粒生长理论主要基于晶界迁移与扩散控制机制展开,其核心在于理解晶界运动速率与材料微观结构演变之间的关系。晶粒生长动力学模型表明,晶粒尺寸随时间增长遵循抛物线规律,即d2=d02+kt,其中d为晶粒尺寸,d0为初始晶粒尺寸,k为生长速率常数,t为时间。该模型的建立依赖于晶界迁移速率与浓度梯度、温度梯度的关联,其本质为原子扩散主导的物质输运过程。相场法模型通过构建自由能函数和演化方程,能够定量描述烧结过程中晶粒形态与尺寸分布的动态变化,尤其适用于多相体系中晶界能、界面张力等参数对生长路径的影响。
温度作为关键影响因素,通过活化能控制扩散速率直接决定晶粒生长动力学。某氧化物陶瓷在1000-1200℃范围内,晶粒尺寸随温度升高呈指数级增长,其活化能与扩散路径(如晶界扩散与晶内扩散)密切相关。此外,烧结工艺条件对生长速率具有显著调控作用,例如毫米波烧结通过电磁场与材料的相互作用,可显著增强某些氧化物晶粒生长速率,其机制源于电磁波对晶界能的局部增强及界面扩散速率的提升。这类微波效应虽缺乏统一理论解释,但某些实验证实电磁场对非均匀材料的微观结构调控具有独特优势。
微观结构演变过程需考虑晶界曲率、界面能及晶体缺陷的协同作用。晶界迁移速率与晶界能梯度呈正相关,而晶粒取向差则通过影响界面能决定生长方向的选择性。在均匀热力学条件下,晶粒倾向于向低能态方向演变,导致多边形化和各向同性生长。某些氧化物在毫米波烧结中因电磁场与材料极化特性的耦合,晶粒生长速率较传统方法提高约30%,这表明外部场的引入可打破热力学平衡,加速非平衡相变过程。
正常晶粒生长理论的完善依赖于多尺度模型的构建与实验数据的结合,其核心在于揭示温度、场效应、成分等因素对扩散动力学和界面能的调控机制。随着相场法与第一性原理计算的结合,未来研究将进一步深入到原子尺度的界面迁移与缺陷演化规律,从而实现对晶粒生长过程的定量预测与精准控制。
三、异常晶粒生长
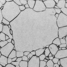
异常晶粒生长现象是陶瓷材料制备过程中常见的微观结构演化特征,其形成机制与传统均匀晶粒生长存在显著差异。从热力学与动力学角度分析,异常晶粒的产生源于体系能量非均匀分布导致的晶界迁移速率差异。在固相烧结或液相烧结过程中,当局部区域的晶界能、化学势或热力学驱动力发生突变时,特定晶粒会突破稳态生长平衡,通过优先吸收周围晶粒的溶解质点实现快速扩展。这种非平衡态生长过程通常伴随界面能低原则的局部失效,导致晶粒尺寸分布呈现双峰或多峰特征。
在动力学机制层面,Zener拖拽理论与晶界迁移的各向异性效应是解释异常晶粒生长的核心模型。晶内第二相颗粒或气孔对晶界的钉扎作用会形成局部能量势垒,当晶界迁移受阻时,未受约束的晶粒则加速生长。实验观察表明,异常晶粒往往沿特定晶向呈柱状或树枝状扩展,其生长速率可达邻近晶粒的数倍,形成直径差异超过两个数量级的极端尺寸对比。相场模拟进一步揭示,晶界曲率与表面能梯度的耦合作用会引发生长动力学的正反馈效应,即大晶粒因表面积与体积比降低而获得更低的迁移能垒,从而持续占据优势生长地位。
异常晶粒的形态学特征与其形成环境密切相关。在液相烧结体系中,液相润湿性差异导致的界面应力场分布不均,可诱发“液桥”效应驱动的定向生长。当液相中存在杂质偏析时,局部表面张力梯度会形成Marangoni对流,加剧晶界迁移的非均匀性。此外,初始粉体的粒度分布、成型压力及升温速率等工艺参数均会通过影响晶界能密度场间接调控异常生长的启动条件。研究表明,当晶界迁移激活能低于体系平均值15%时,异常晶粒的形核概率呈指数级增长。
从发展过程的时间尺度分析,异常晶粒生长可分为三个阶段:
初始阶段的随机成核期,此时体系中晶粒尺寸分布呈近似对数正态分布;
随后进入竞争性生长期,优势晶粒通过吞噬邻近小晶粒形成主导区域;
进入稳态扩展期,异常晶粒受体系能量耗散限制达到临界尺寸。
相变动力学研究表明,异常晶粒的终止尺寸与体系的冷却速率呈负相关,快速冷却可通过冻结界面能量状态抑制其过度生长。近年来,分子动力学模拟在原子尺度揭示了氧空位梯度与点缺陷扩散对异常生长的调控作用,为理解纳米尺度下的非平衡相变提供了新视角。
该现象的理论研究不仅深化了对陶瓷烧结过程微观机制的认识,也为通过晶粒生长控制实现材料性能优化提供了理论依据。当前研究热点聚焦于多场耦合条件(如电场、应力场)对异常生长的主动调控,以及纳米第二相分布对晶界迁移的协同抑制效应。未来研究需进一步结合原位表征技术与多尺度建模,建立包含缺陷工程参数的定量预测模型,以实现对异常晶粒生长的精准调控。